怎样产生负电压 负电压电路 负电压芯片 负电压转正
2011-07-04

怎样产生负电压 负电压电路 负电压芯片 负电压转正,这是在实际工程中非常容易遇到的问题,这里整理和分享几个芯片和电路给大家参考。
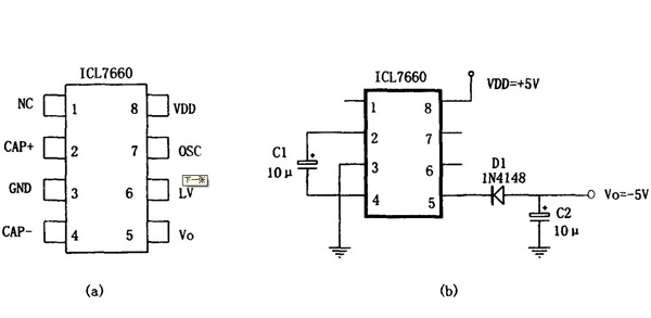
1.单芯片单一电源产生负电压:
使用芯片 Max660 ICL7660 MC34063 附详细电路



2、负电压转正电路
最简单的办法,使用运放,采用LMV358 轨至轨运放芯片,实际测量,有0.001V的衰减,应该够用了。
PS:MAX232 也可以产生负压的


