
RS-232C、RS-422A、RS-485是EIA(电子工业协会)的通信标准,在这些通信标准中,RS-232C已被广泛应用于各种应用中,甚至是计算机上的标准设备,并且经常被使用。用来连接串口服务器或DTU设备,通常传感器、执行器也包含这些接口,其中许多可以通过串行通信进行控制。以下是广泛使用的主要RS标准:
● RS232
● RS422
● RS485
RS232
RS232代表建议的标准编号232,TIA / EIA-232-F的通用接口。RS232作为接口,多年来一直是将数据电路终端设备(DCE)与数据终端设备(DTE)互连的标准。市场上有各种形式的RS232接口。但是,由于设计和配置不同,它们很容易转换为其他形式。该接口的示例是RS 232'C',RS 232'D',RS 232 V.10,RS 232 V.28。
RS232几乎可以在每台个人计算机上就可以找到。如图所示:

RS232是一个完整的标准,不仅包括电气特性,而且还包括物理和机械特性。例如连接硬件,管脚和信号名称。点对点接口,RS232能够以高达20Kbps的速度保持适当的距离。尽管在规范中没有特别说明,但只要连接短且使用正确的接地,速度可能会大于115.2Kbps。电缆长度通常为30英尺,使用低电容电缆可以达到200英尺以上的电缆。
RS232总线是一种不平衡总线,能够在名为数据终端设备(DTE)和数据通信设备(DCE)的两个接收器/发送器对之间进行全双工通信。每个接收器都有一个发送信号,该发送信号连接到另一端的接收信号。因此,两侧之间存在针脚差异。通常个人计算机的是DTE,而连接的外围设备是DCE。
每个发送器通过改变线路上的电压来发送数据。高于3V的电压为二进制零,而低于–3V的电压为二进制零。在这些电压之间,该值是不确定的。要将逻辑电平(0和5V)转换为这些电平并返回,可以使用RS-232转换IC,例如1488、1489或无处不在的MAX232。
典型的RS232通信由起始位、数据位、奇偶校验位(如果有)和停止位组成。与PC通信时,典型格式是8个数据位,无奇偶校验和1个停止位(8N1)。七个数据位,偶数奇偶校验和一个停止位(7E1)也很常见。如图所示,开始位通常为零,而停止位通常为1。官方规范并未描述任何通信协议,包括开始/停止位的使用。

RS422
RS422就是TIA / EIA-422-B,RS485是TIA / EIA-485-A,两者是平衡的双绞线接口,速度最高可达10Mbps,距离可达1.2公里作为差分总线,每个总线都使用1.5V至6V的信号来传输数据。(注:通过差分,平衡总线,与类似的单端不平衡总线(例如RS232)相比,抗扰性得到了提高。)
引入RS422标准是为了解决RS-232C的缺点。这些缺点包括慢速和短距离传输。时钟时序及其目的在此标准中定义。此标准的示例是D Sub 9针和D Sub 25针连接器。
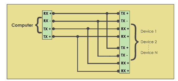
RS422接口是一个多点接口,可通过一对导线从一个发送器到多个接收器进行单向通信,最多10个单位负载(UL)。如果接收数据的设备希望与发送器通信,则设计人员必须在每个接收器和发送器之间使用单独的专用总线。(使用此返回总线将允许全双工传输。)因此,很少在两个以上的节点之间使用RS422。

RS485
RS485接口是通过几个收发器之间的一对导线进行的双向通信。该规范指出,该总线最多可包含32个UL收发器。许多制造商生产分数UL收发器,从而将最大设备数量增加到100多种。
引入RS485标准是为了解决RS422的缺陷。RS422的缺陷是无法关闭驱动器电路。RS 485利用三种状态逻辑,可以分别停用每个变送器。
RS422和RS485接口通常使用与RS232相同的起始位/数据/停止位格式。实际上,存在几个转换器,可以从RS-232到RS-485再返回。但是请记住,RS232是全双工接口,而RS485是半双工。
一些微控制器制造商提供了具有特殊RS485功能的内置UART。

串行通信相对于并行通信的优势
误解:是串行端口/总线比并行端口/总线慢,因为每单位时间数据的传输只有一点点。甚至串行端口/总线的时钟速率也可能比并行端口/总线的时钟速率快,并且可以实现更高的数据流速度。使串行通信优于并行通信的因素有:
● 无需时钟:如果采用非时钟和异步类型的串行通信,则不存在通道/通道之间的时钟偏斜问题。
● 需要更少的空间:串行通信配置需要更少的空间,因为在串行连接中电缆的需求更少。该额外空间的可用性使数据通道与相邻通信组件之间实现了良好隔离。
● 无串扰:附近空间内导体很少。因此,串扰的机会很少。
● 低成本:与并行链接相比,串行链接的成本更低。


